Protective Relay Systems

Reliable real-time protection and control for critical power systems. Ensure operational safety, minimize downtime, and maintain system integrity with our advanced protective relay systems.

Excitation Systems

Precise voltage control for reliable generator performance. Our excitation systems deliver accurate, responsive control of generator field voltage to ensure stability, reliability, and optimal performance across all operating conditions.

Voltage Regulators

Consistent, stable voltage control for generators and power systems. Our voltage regulators maintain precise voltage output to protect equipment, enhance quality of power, and ensure system stability.

Genset Controls

Our genset control systems offer complete command over engine and generator functions, delivering reliable automation, protection, and monitoring for your systems.

Software

Modern digital devices offer a wide range of configurable settings to meet diverse application needs. With so many parameters and functions available, it is essential to have a user-focused interface. Protective relays and digital devices rely on advanced algorithms and filtering techniques to deliver accurate real-time decisions.

Custom Transformers

Engineering-to-order transformers for specialized power applications. Our custom transformers are designed and built to meet your exact electrical, mechanical, and environmental requirements.

Accessories

Essential accessories for enhancing and completing your power system. Maximize the performance, reliability, and flexibility of your power equipment with our full range of accessories.

View All

View all our Basler products.

Manuals

Find Instruction Manuals, Protocol Manuals, Quick Start Guides, Firmware/Software Revision History, and more.

Certifications

View all Agency Certifications.

Software

View our BEST software suite, Configuration Files, Modbus TCP Discovery, and more.

Templates

View Application Templates and Application Components, HMI Files and Templates, Logic Schemes, and more.

Applications

Get Application Guides, Application Notes, and Product Notes.

Drawings

Drawings include Product Drawings, Mounting Accessory Drawings, and more.

Brochures

See our Product Brochures, Bulletins, and Promotional Flyers.

Case Studies

Check out our Case Studies.

View All Resources

View Manuals, Software, Certificates, and more.

Basler University

At Basler University, you will find a range of training resources, from in-person customer training, virtual learning, instructor-led courses, and on-demand videos.

In-Person Training

Our expert instructors offer live training on our products and services.

eLearning

Our online webinar options allow you to attend live courses led by a Basler instructor from your home or office.

On-Demand Videos

Our library of on-demand videos allows you to learn at your own pace. Find your subject of your choice, and learn as you go.

Custom Training

We offer customizable training programs tailored to meet your unique needs. Whether you're looking to deepen the understanding of specific systems, enhance troubleshooting skills, or train new employees on best practices, we will work with you to develop a program that fits your goals. Training can be delivered at your site or ours.

Navigating the New Basler.com

A Guide to our New Website

24/7 Technical Support

Technical phone support is available any time of the day or night, every day of the year.

Basler Services

Basler Services, LLC, formerly E² Power Systems, was acquired in 2017 by Basler Electric to better meet customers' needs by offering seamless solutions for both product and engineering services.

Electrical System Design

Basler Services delivers cutting-edge Electrical System Design, crafting solutions that optimize performance, safety, and efficiency tailored to your unique requirements. Their expert engineers guide you through every phase—from conceptual layouts and relay coordination to full documentation and commissioning support—ensuring a dependable, compliant electrical infrastructure.
Basler Services

Turnkey Engineering

With extensive experience delivering turnkey projects, Basler Services combines resources to offer tailored installation solutions. Clients can engage as much—or as little—as they wish, selecting only the specific installation support services that fit their needs.
Basler Services

Onsite Services

Basler Services offers comprehensive Onsite Services designed to keep your power generation systems running reliably and in compliance. From emergency troubleshooting and scheduled system maintenance to NERC compliance testing and tailored technical training, their on-the-ground engineers ensure your operations are efficient and your team is empowered.
Basler Services

Consulting

Basler Services offers expert consulting to optimize electrical power systems for safety, reliability, and performance. Our team works closely with clients to assess challenges and deliver tailored, cost-effective solutions.
Application: Hydroelectric Generator

SEGRITY Products & Services

Through the SEGRITY brand, Basler Services offers products and services to the hydroelectric industry. We specialize in Woodward governors, hydro governors, unit and plant controls, digital control algorithms, control systems installation and commissioning.

About Us

Our core purpose is to enhance people’s lives by developing highly reliable solutions that add quality to their lives.

Locations

View Our Global Locations

Quality Programs and Certifications

Basler Electric’s Quality Policy applies to all of its manufacturing facilities and utilizes the same system designed to comply with the requirement necessary to obtain ISO certification.

Our History

From the 1940s to today, Basler is Always Innovating, Always Evolving.

Careers

Joining the Basler Team means becoming a member of a global energy technology leader who is advancing the energy transition across 145 countries. It means partnering with customers to help solve some of the most complex, mission-critical energy challenges. And, it means working for a company who values their employees and families.

Events

See our calendar of events, tradeshows, and conferences.
Protective Relay Systems

ES Series Protection Relays

ES Series Protection Relays provide a wide range of cost-saving options to simplify protection related to Generator, Transformer, Distribution, Process Control, Auto Transfer Schemes, and Motor applications. ES relays offer many high-end features not typically found in a low-cost device to provide simple, yet sophisticated, protection for your applications. Multiple DIN-rail mounting options are available.

To create a quote, Login or request an Account.

Request an Account Login View Resources
ES-27 Undervoltage Relay on DIN Rail
ES-49 Temperature Relay
ES-47 Phase Sequence Relay
ES-55 Power Factor Relay
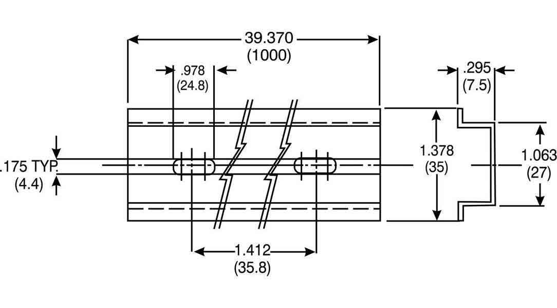
Standard DIN Rail 39.37 in. (999.99 mm)
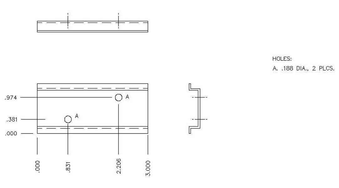
Mounting Rail 3.0 in. (76.2 mm)
Mounting Rail 5.5 in. (139.7 mm)
Mounting Rail 8.0 in. (203.2 mm)
ES-27 Undervoltage Relay on DIN Rail
ES-49 Temperature Relay
ES-47 Phase Sequence Relay
ES-55 Power Factor Relay
Standard DIN Rail 39.37 in. (999.99 mm)
Mounting Rail 3.0 in. (76.2 mm)
Mounting Rail 5.5 in. (139.7 mm)
Mounting Rail 8.0 in. (203.2 mm)

— Product Features & Benefits

    • Simplify protection by covering a wide range of applications using ES relays.
    • Sophisticated fundamental sensing technology gives you high-end harmonic protection capabilities that prevent false tripping and allows you to be more selective.
    • DIN-rail mounting provides low-cost, fast, easy, and compact installation.
    • Relay settings are simple and intuitive, making setup fast with no PC required.
    • Red and green LEDs on the front panel provide intuitive, easy-to-understand indication of system status.
    • Digital microprocessor design is extremely accurate to ensure a high level of dependability and security, giving you confidence in your settings.
    • The ES relay self-monitors to detect internal component failure and, in the unlikely event of an internal failure, flashes the Power LED.
    • Voltage and Frequency models are available in six standard input voltages and extensive custom nominal voltages.
    • Many ES relay models are self-powered, eliminating the need for additional power sources.
    • Conformal coating improves protection against dust and corrosion.
    • Accurate, repeatable, and reliable operation.

Products


Parts & Accessories

— Transforming Lives with Innovative, Reliable Products Rooted in Integrity & Sustainability.